产品展示
FL-2分流器,10000A分流器
一、主要参数
产品标准:GB/T7676-1998《直接作用模拟指示电测量仪表及其附件》
JB/T9288-1999《外附分流器》
安规标准:IEC 61010-1:1990《测量、控制和实验室用的电气设备的安全要求 第一部份: 通用要求》
准确等级:1~4000A:0.5级;5000~15000A:1级。
环境条件:-40~+60℃,相对湿度≤95(35℃)
耐机械力性能:能承受加速度为70米/秒2及冲击频率每分钟80~120次6小时的运输颠震过负载性能:120%额定电流值,2小时
负载下发热:温升变化趋于稳定后,额定电流50A以下不超过80℃;额定电流50A以上不超过120℃。
二次压降:50mv,60mv,75mv,100mv,150mV,200mV,300mV等,一般为75mV
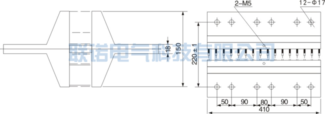
二、示意图
