产品展示
LBG5-D48,三相固态继电器,固态继电器,直流控直流固态继电器
一、产品概述:
1、双向可控硅输出,零电压开启,零电流关断。
2、输入信号与TTL和COMS数字逻辑电路兼容。
3、输入回路与输出回路之间光隔离。
4、发光二极管指示工作状态;
5、输入端-输出端之间隔离耐压≥2500V。
6、较高性价比,应用广泛,高信赖度的通用产品。
7、100%负载电流老化试验。
二、技术参数:
|
控制方式 |
直流控交流(DC-AC) |
|
|
负载电流 |
10A、20A、25A、30A、40A、50A、60A、80A、100A、120A、150A、200A |
|
|
负载电压 |
480VAC |
|
|
控制电压 |
DC:3-32VDC |
|
|
控制电流 |
10-15mA |
|
|
通态漏电流 |
≤10mA |
|
|
通态降压 |
≤1.8VAC |
|
|
断态时间 |
≤10mS |
|
|
介质耐压 |
2500VAC |
|
|
绝缘电阻 |
1000MΩ/500VDC |
|
|
环境温度 |
-30℃-+75℃ |
|
|
安装方式 |
螺栓固定 |
|
|
工作指示 |
LED |
|
|
重量 |
450g |
|
三、型号命名
LBG5-D 48 60
① ② ③ ④
①、LBG5:三相固态继电器
②、D:直流控交流
③、48:输出负载电压480VAC
④、输出负载电流:10A、20A、25A、30A..............200A
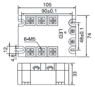
外形尺寸

四、产品应用:
SSR系列三相固态继电器采用阻燃工程塑料外壳,环氧树脂灌封,螺纹引出端接线,具有结构强度高、耐冲击、抗震动性强、输入端。输入端驱动电流小可方便的与计算机终端和各种数字程控电路接口,广泛应用在石油化工仪器设备、食品机械、包装机械、纺织机械、数控机床、塑料机械、健身器材、娱乐设施等自动化控制领域,特别适用于腐蚀、潮湿、防尘、要求防爆等恶劣环境,及频繁开关的场合,是交流接触器更新替代产品。
五、安全注意事项:
1、负载电流高于10A时必须使用散热器或安装在具有相应散热效果的金属底板上,并且固态继电器散热底板与安装面之间涂上导热硅脂,40A以上加风扇强冷或水冷。
2、使用在交流感性负载时,高瞬态电压及浪涌电流施加于输出端,因此可能导致固态继电器导通或损坏,通常需要在输出端接入具有特定钳位电压的电压控制器件,如双线稳压二极管或压敏电阻(MOV)。压敏电阻推荐取额定电压的1.6-1.9倍;
3、控制之接近最小负载电流的较小电流负载时,须在负载上并联一个虚拟负载电阻,以减小输出端漏电流在负载上产生较高的剩余电压。
4、为了避免固态继电器的温升超过允许值,设计应用时应考虑散热效果和安装位置,当两只或多只固态继电器并排安装时,应留有适当的间距。
5、多只固态继电器的输出端之间不得并联使用,以试图增大输出电流。但输出端可以串联使用,以便适用更高的工作电压。
6、当使用多只固态继共用一个控制电源时,输入端即可以串联使用也可以并联使用。
7、容性负载请慎用此件,请选择容性负载专用固态继电器。

